Tailor-made infrastructure for the investigation of micromovements on brake components for Neutron Imaging
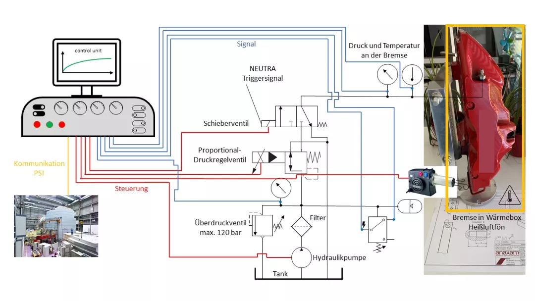
• Pressure measurement directly at the brake caliper
• Pressures up to a maximum of 100 bar
• Pressure control accuracy of 0.5 bar
• Freely programmable pressure curves / pressure cycles
• Temperatures up to a maximum of 100 °C
• Temperature control accuracy of 1.0 °C
• Temperature control on brake fluid temperature
• Hydraulic unit for an optimal pressure control
• Hydraulic unit as mobile unit
• Climatic chamber for easy caliper change and good temperature control
• Pressure and temperature measurement directly at the brake caliper
• Manufacturing of the climatic chamber and the hydraulic unit
• Assembly and commissioning of the hardware and software
• Controller tuning and acceptance tests in the laboratory
• Set up the climatic chamber and hydraulic unit on the beam line
• Set up software interface communication
• Carrying out the customer-specific experiments
